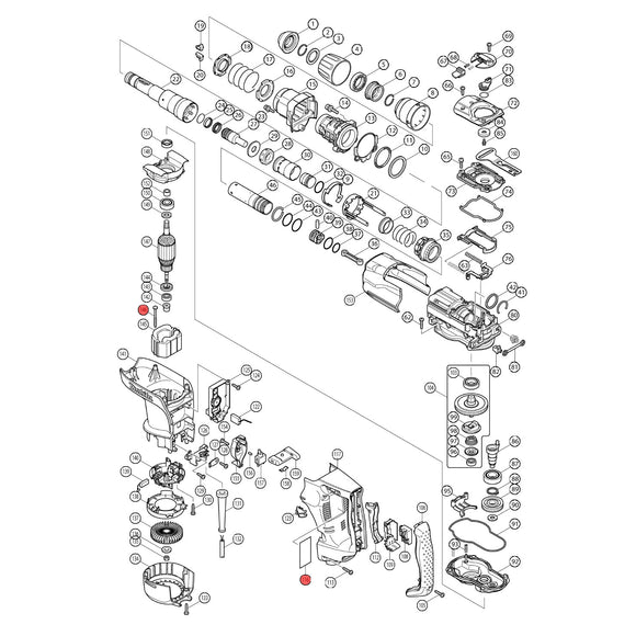
Spaccato ricambi martello demolitore HR4001C

Gratis

Imposte incluseSpedizione calcolata al momento del pagamento

I tempi di spedizione potrebbero essere più lunghi a seconda del ricambio ordinato per motivi di disponibilità (fino a 5/7 giorni dal momento in cui viene ricevuto il pagamento)

Disponibile!

1-286285-4CAPPUCCIO ANTERIORE
2-231984-3ANELLO 
3-267272-2RONDELLA 28
4- 419015-0MANICOTTO X PORTAPUNTE
5-419002-9DISTANZIALE
6-324548-1ANELLO X PORTAPUNTE
7-231984-3ANELLO
8-419016-8COPRI DISINNESTO
9-419760-7GUIDA BUSSOLA DI BLOCCO
10-267336-2RONDELLA 45
11-262116-1ANELLO URETANO 45
12-421911-0SIGILLO
13-154621-1CANNONE
14-922353-6VITE M6 X30
15-154624-5COPRI CANNONE
16-345579-7GUIDA X MOLLA 
17-233431-0MOLLA COMP.48
18-345579-7GUIDA X MOLLA 
19-310161-1FERMA PUNTA
20-310161-1FERMA PUNTA
21-165633-9BUSSOLA DI BLOCCO
22-324542-3PORTA PUNTE
23-266437-3VITE M4X16 FRENAFILETTO
24-213317-4ANELLO 20
25-213392-0ANELLO GOMMA 25
26-213281-9ANELLO 18
27-324569-3BATTENTE
28-421901-3ANELLO GOMMA 17
29-324573-2ANELLO 17
30-419003-7BUSSOLA SCORREVOLE
31-324571-6PERCUSSORE
32-213962-5ANELLO 22
33-331709-6ANELLO 33
34-233448-3MOLLA COMP.37
35-227509-9INGRANAGGIO 25
36-419005-3BIELLA
37-213379-2ANELLO 21
38-213962-5ANELLO 22
39-419004-5PISTONE
40-256197-5SPINOTTO 4
41-233937-8ANELLO ELASTICO
42-257268-1ANELLO 33
43-213406-5GUARNIZIONE 30
44-213406-5GUARNIZIONE 30
45-233935-2ANELLO ELASTICO 32
46-324570-8CILINDRO 28.5
62-266041-8VITE PT
63-233432-8MOLLA COMP. 7
65-911133-5VITE M4X18
66-266192-7VITE 4 X 14
67-419009-5PULSANTE DI BLOCCO
68-233436-0MOLLA COMP.3
69-266192-7VITE 4 X 14
70-419020-7LEVA CAMBIO
71-419007-9BIELLA X LEVA CAMBIO
72-317925-4COPRI CARCASSA BIELLA
73-419030-4COPRI CARCASSA BIELLA INFERIORE
74-421908-9ANELLO DI TENUTA
75-419019-2GUIDA X PIASTRA COLLEGAMENTO
76-345582-8PIASTRA COLLEGAMENTO
80-154625-3CARCASSA BIELLA
81-423345-3PIASTRA AMMORTIZZATORE
82-419008-7SUPPORTO PIASTRA
83-213262-3GUARNIZIONE 18
84-419006-1LEVA DI COLLEGAMENTO
85-911511-9VITE M4 X 10
86-324550-4ALBERO ECCENTR.
87-211332-2CUSCINETTO
88-961060-6ANELLO DI RITEGNO S20
89-226605-0INGRANAGGIO 38
90-253180-3RONDELLA PIANA 10 X 6221DW
91-421907-1ANELLO DI TENUTA
92-154623-7CARCASSA ING.
93-233433-6MOLLA COMP.5
95-419018-4PIASTRA CAMBIO
96-210005-4CUSCINETTO SFERE 608 DDW
97-345581-0RONDELLA A TAZZA 8
98-233936-0MOLLA
99-324549-9FLANGIA GUIDA
103-211323-3CUSCINETTO A SFERE 6904
104-135508-6LIMITATORE DI COPPIA
105-265995-6VITE M4X18 X 6408/6221DW
106- 419036-2COPRI IMPUGNATURA
108-650676-9INTERRUTTORE TG73B-1
109-154626-1SUPPORTO INTERRUTTORE

112-419028-1LEVA INTERRUTTORE
113-266041-8VITE PT 5X25
117-419039-6IMPUGNATURA POSTERIORE
122-638407-6CAVO CABLAGGIO
123-419010-0LENTE
124-266192-7VITE 4 X 14
125-631657-2REGOLATORE VELOCITÀ
126-419024-9SUPPORTO CAVI CABLAGGIO
127-687169-3MORSETTO STRINGICAVO HP1620
128-266192-7VITE 4 X 14
129-266192-7VITE 4 X 14
130-265995-6VITE M4X18
131-682560-0MANICOTTO CAVO
133-265995-6VITE M4X18
134-419032-0COPERCHIO INFERIORE
135-931303-0DADO ESAGONALE M6
136-253047-5RONDELLA PIANA 6
137-241876-8VENTOLA 76
138-419022-3CONVOGLIATORE
139-197245-0CARBONCINI CB-351
140-638715-5SUPPORTO CARBONCINI
141-154619-8CARCASSA MOTORe
142-324390-0BUSSOLA 6
143-210005-4CUSCINETTO SFERE 608 DDW
144-681650-6RONDELLA ISOLANTE
145-625758-6STATORE 220-240V
146-266095-5VITE 5
147-513633-7INDOTTO 220-240V
148-419021-5DEFLETTORE 
149-253084-9ROND.P.12 8419B/5016NB
150-211137-0CUSCINETTO 6201LLU
151-213231-4SIGILLO OLIO
152-331596-3BUSSOLA 12
153-419034-6COPERCHIO CARCASSA BIELLA 
154-266192-7VITE 4 X 14
160-419027-3PIASTRA X LEVA INSERIMENTO 3 Euro
162-345650-7PIASTRA 3 Euro
163-267456-2RONDELLA 38 3 Euro

-