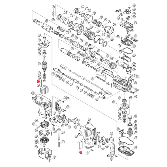
Spaccato ricambi martello demolitore HR4010C

Gratis

Imposte incluseSpedizione calcolata al momento del pagamento

I tempi di spedizione potrebbero essere più lunghi a seconda del ricambio ordinato per motivi di disponibilità (fino a 5/7 giorni dal momento in cui viene ricevuto il pagamento)

Disponibile!