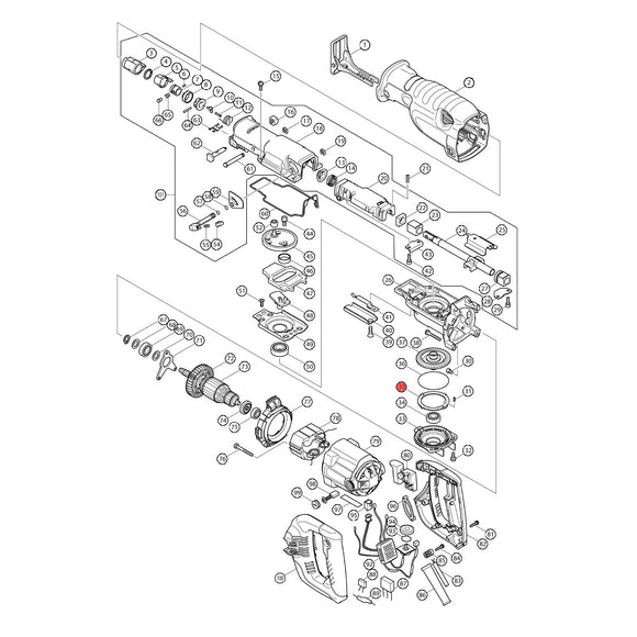
Spaccato ricambi seghetto diritto JR3070CT

SKU: 163451-9

€7,50

Imposte incluseSpedizione calcolata al momento del pagamento

I tempi di spedizione potrebbero essere più lunghi a seconda del ricambio ordinato per motivi di disponibilità (fino a 5/7 giorni dal momento in cui viene ricevuto il pagamento)

Pagamenti
sicuri

Spedizioni
in 24/48 ore

Assistenza
pre e post acquisto

Disponibile!

  • 1. 163451-9 Piattino
  • 2. 421904-7 Coperchio isolante
  • 3. 424147-0 Protezione bussola porta lama
  • 4. 961078-7 Anello di ritegno S18
  • 5. 310285-3 Bussola porta lama
  • 6. 268094-3 Spinotto 3
  • 7. 331639-1 Bussola x guida
  • 8. 417791-0 Supporto guida
  • 9. 418311-3 Bussola
  • 10. 345214-7 Piastrina
  • 11. 233025-1 Molla 2
  • 12. 231687-9 Molla torsione 17
  • 13. 257742-9 Bussola 14
  • 14. 213174-0 Anello 14
  • 15. 911225-0 Vite M5x16
  • 16. 418806-6 Tappo pulsante blocco
  • 17. 961012-7 Anello di ritegno E6
  • 18. 154551-6 Coperchio scatola ingranaggi
  • 19. 961012-7 Anello di ritegno E6
  • 20. 154502-9 Supporto bronzine
  • 21. 233038-2 Molla comp. 5
  • 22. 423343-7 Piastra sigillo
  • 23. 214170-1 Bronzina 14A
  • 24. 168410-8 Cursore
  • 25. 345487-2 Coperchio sup. bronz.
  • 26. 317842-8 Scatola ingranaggi
  • 27. 154547-7 Bronzina
  • 28. 345486-4 Piastra B
  • 29. 266086-6 Bullone M5x16
  • 30. 265530-0 Vite M5x8
  • 31. 951051-5 Spinotto elastico 3/8
  • 32. 911225-0 Vite M5x16
  • 33. 317844-4 Scatola cuscinetto
  • 34. 211131-2 Cuscinette sfere 6001DD
  • 35. 345488-0 NON FORNIBILE
  • 36. 213726-7 Anello 62
  • 37. 154549-3 Limitatore di coppia
  • 38. 266012-5 Vite M5x35
  • 39. 265165-7 Vite M6x16
  • 40. 345479-1 Guida per pattino
  • 41. 232222-6 Molla piatta B
  • 42. 266086-6 Bullone M5x16
  • 43. 345485-6 Piastra A
  • 44. 265531-8 Vite M6x14
  • 45. 154545-1 Eccentrico
  • 46. 257265-7 Anello 21
  • 47. 313121-2 Bilanciere
  • 48. 154546-9 Base eccentrico
  • 49. 345489-8 Piastra guida
  • 50. 210210-3 Cuscinetto 6003LLB
  • 51. 265148-7 Vite M5x14
  • 52. 212957-5 Cuscinetto rulli 710
  • 54. 418991-5 Fermo
  • 55. 231309-1 Molla compressione 5
  • 56. 272247-8 Leva 20
  • 57. 213021-5 Anello di ritegno 5
  • 58. 213021-5 Anello di ritegno 5
  • 59. 413095-8 Piastra C
  • 60. 421899-4 Sigillo
  • 61. 268012-1 Perno nuovo
  • 62. 162236-0 Pulsante di blocco
  • 63. 232221-8 Molla piatta A
  • 64. 256158-5 Perno 3
  • 65. 233345-3 Molla di compres. 6
  • 66. 256492-3 Spinotto 5
  • 67. 961052-5 Anello di ritegno S12
  • 68. 253744-3 Rond. piana 12
  • 69. 211131-2 Cuscinetto sfere 6001DD
  • 70. 253744-3 Rond. piana 12
  • 71. 285719-4 Ritegno cuscinetto A
  • 72. 241863-7 Ventola 70
  • 73. 513603-6 Indotto
  • 74. 681650-6 Rondella isolante
  • 75. 210046-0 Cuscinetto 608ZZ
  • 76. 266056-5 Vite M5x45
  • 77. 418817-1 Deflettore
  • 78. 525718-7 Statore
  • 79. 154498-4 Carcassa motore
  • 80. 650222-8 Interruttore TG71ARS-1
  • 81. 265995-6 Vite M4x18
  • 82. 183933-5 Impugnatura posteriore
  • 83. 665890-4 Cavo alim.
  • 84. 265995-6 Vite M4x18
  • 85. 687124-5 Morsetto stringicavo
  • 86. 682573-1 Passacavo 10
  • 87. 645253-0 Condensatore
  • 88. 645006-7 Condensatore
  • 89. 646049-2 Diodo
  • 92. 631651-4 Regolatore
  • 93. 213261-5 Guarnizione
  • 94. 418905-4 Disco combinatore
  • 95. 418518-1 Bussola
  • 96. 421448-7 Guarnizione in gomma
  • 97. 861231-4 NON FORNIBILE
  • 98. 194996-6 Carboncini CB-303
  • 99. 643750-0 Tappo portaspazzole
  • 100. 183933-5 Impugnatura poster.
  • 101. 127400-0 Coperchio carcassa assemblato

-